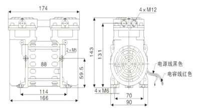
JP - 120H無油真空泵產品參數
東莞市馬力機電有限公司 粵ICP備-15074837號-2
地址:東莞市虎門鎮上南路南柵第五工業區3號4樓 網址:m.byzmdq.com
電話0769-85348618 傳真0769-85343825 譚先生:13926800619/13650009957