|
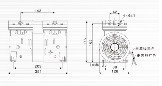
型號 MODEL |
電壓/頻率 voltage |
流量 L/min |
真空度Vacuumdegree (mmhg) |
功率 POWER (Watts) |
轉速SPEED (RPM) |
環境溫度 AMBIENTAIR |
凈重 NET WEIGHT |
|
JP-140HDC |
DC24V/36V |
140 |
750 |
650W |
1450 |
-5℃-40℃ |
10.0Kg |


1、按照直流小型真空泵接線要求接好電源與電容線。
2、有足夠的周圍空間能便于直流小型真空泵的檢查,維護和裝拆。
3、將直流小型真空泵盡可能地放在通風好、灰塵少、濕度低,環境溫度低于40℃小的位置;
4、底座用橡膠減震腳或彈簧減震固定。
5、無灰塵及贓物的清潔場所。
6、無水、油等液體會降落到泵上
7、不直接暴露在陽光里。
8、進氣口接1/4-18NPT接頭或者其它規格接頭和進氣過濾消聲器等裝置,接好管子;出氣口接管或消音器。
9、使用的電源應有足夠的容量,確認使用的電壓符合產品要求。
10、檢查直流小型真空泵各元件無異常后,將電源線插頭插到符合要求的電源插座上(電源插座必須接地良好),機器開始工作。
1.從事10年自動化設備工程師為您配型
2.配型滿足不了需求可要求退換貨
3.專業技術團隊24小時待機為您護航
4.免費提供技術解決方案
5.送機上門,免費試用(廣東地區)
產品包裝:木箱或厚紙箱加泡沫保證產品安全。
貨運物流:我們合作物流(德邦)、(順豐)運輸快捷全國2-3天送達。







