

安裝使用說明
1.將真空泵盡可能地放在通風好、灰塵少、濕度小的位置;底座用橡膠減震腳或彈簧減震固定。
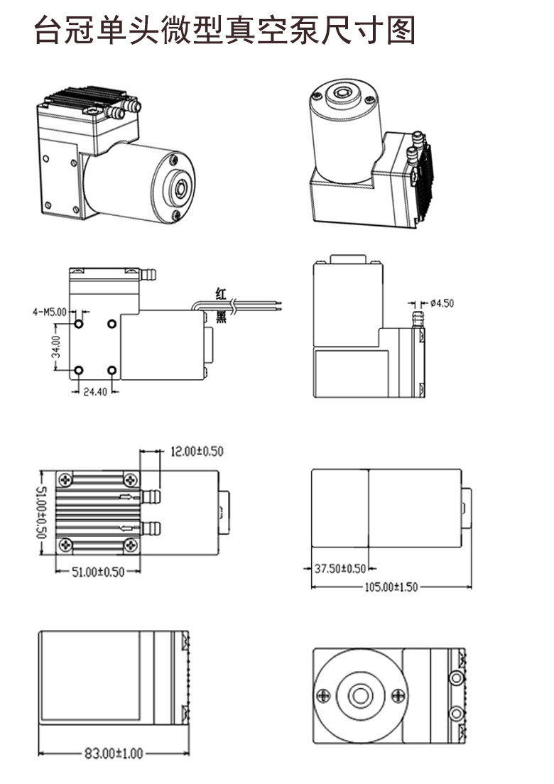
2.進氣口接10*6mm軟硅膠管接頭或者其它規格接頭和進氣過濾消聲器等裝置,接好管子;出氣口接管或消音器。
3.使用的電源應有足夠的容量,確認使用的電壓符合產品要求。
4.按照接線要求接好電源與電容線。
5.檢查真空泵各元件無異常后,將電源線插頭插到符合要求的電源插座上(電源插座必須接地良好),機器開始工作。
6.調節調壓閥使壓力表指示所需壓力并穩定。
7.真空泵不使用時,調節調壓閥排空空氣后,再切斷電源。
8.嚴禁隨意拉扯引出線,以免造成損壞或造成產品故障。

注意事項
1.正確選擇跟產品銘牌上相符合的電源與電容器,電源電壓超出使用范圍或電壓波動大時,請加穩壓裝置后再使用。
2.本產品使用環境溫度-10至+40℃海拔不高于1500m,超過1500m使用高原型真空泵。使用時,盡量放置于通風清潔場所。
3.選用合適的進氣過濾消聲器,并定期清洗或更換。
4.該產品使用的介質為空氣,如需用于其它的介質,請咨詢本公司400-833-1195
5.當延長電源線時,應考慮電壓降。

我們的服務:
1:可提供樣品試用,7天內更換服務,全國服務
2:技術團隊24小時待命,提供技術解決服務
3:可根據您的需求,為您量身定制不同產品
4:倉儲式經營,大量現貨
5:產品質量保修一年,終身維護!
產品包裝:
木箱或厚紙箱加泡沫保證產品安全。
貨運物流:
我們合作物流(德邦)、(順豐)運輸快捷全國2-3天送達
臺冠單頭微型真空泵,是由東莞市馬力機電有限公司研發生產,采用有刷直流馬達,速度可調,流量可調,發熱量低。是一種體積小巧,無油環保的微型真空泵。其工作時不需要潤滑油和真空泵油,能在進口處能夠持續形成真空或負壓,排氣嘴處形成微正壓,不污染工作介質,免維護,重量輕,外形美觀、大壓力、高流量、抗腐蝕,可以連續24小時運轉,常溫環境使用壽命長等特性優點,主要用于電器產品,工業產品, 醫療器械分析儀器,化學及生產工程及各種精密儀器配套,廣泛用于氣體采樣、氣體循環、真空吸附、加速過濾、汽車真空助力等等場合,在醫療、衛生、科研、環保等領域。







